SPICEモデリング
SPICEアプリケーション、SPICEカスタムブロック、およびHyperSpiceライブラリを使用したモデリングについて学習します。
- SPICEアナログアプリケーション
-
SPICE(Simulation Program with Integrated Circuit Emphasis)は、電子回路の設計およびシミュレーション用の汎用オープンソースアナログアプリケーションです。
電子回路設計に関連するすべてのコンポーネント、節点、接続の動作のモデル化と予測を行うため、ActivateはSPICE言語をサポートします。SPICE形式のテキスト表現により、制限なしで容易に共有できる電子回路を定義できます。
- SPICEとHyperSpiceを使用したシミュレーション
- ActivateとHyperSpiceを組み合わせれば、混在システム設計の電子回路をシミュレートする環境が実現します。Activateでは、モデルを構成するSPICEコンポーネントをシミュレートするためにSPICEネットリストを扱い、Altairの高性能電気的ソルバーであるHyperSpiceで処理します。HyperSpiceは、SPICE言語に基づいており、直流モード、過渡モード、交流モードでの電子回路のシミュレーションに特化されています。また、HyperSpiceには、BSIMシリーズのMOSモデルを扱うBerkeleyデバイスモデルへのインターフェースが用意されています。
Spiceカスタムブロック
SpiceCustomBlockを使用して電子コンポーネントを定義します。
HyperSpiceライブラリを使用した電子部品の作成
HyperSpiceライブラリには、Activateで電子システムおよびマイクロ電子システムをモデリングするためのブロックが用意されています。
このライブラリは、電子回路設計やシステム設計の業務向けに設計されており、Altair HyperSpiceソルバーを活用しています。このライブラリにアクセスするには、の順に選択します。

このライブラリには多彩なブロックが用意されています。そのブロックとして、回路の励振と電源を定義する電圧源と電流源、線形部品と半導体部品、HyperSpiceのコンポーネントと他のActivateブロックを接続するためのインターフェースなどがあります。


電子システムの簡単なダイアグラムの作成
Activateで電子システムをモデリングする場合は、HyperSpiceライブラリにある2種類のブロックが必要です。そのブロックとは、基本的なSPICEコンポーネントを収めた基本ブロックと、電子回路と他のActivateブロックを接続するコネクターを収めたインターフェースブロックです。
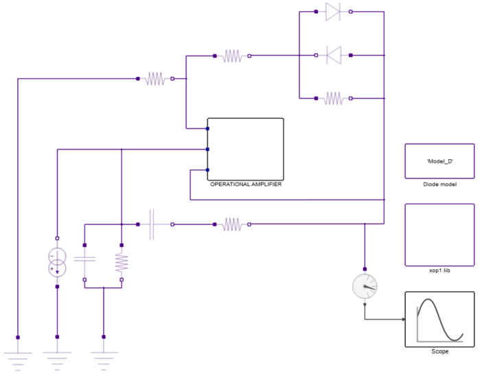
ActivateブロックとHyperSpiceブロックを結合すると、必要に応じて適切なインターフェースブロックが自動的に挿入されます。次の例は、インターフェースブロックを介してScopeブロックに接続した電子システムのモデルです。
HyperSpiceライブラリのすべてのSPICEコンポーネントは、デバイスの実際の物理値を設定するためにパラメータで記述できます。詳細については、個々のHyperSpiceブロックでF1キーによるヘルプをご参照ください。



