Compose-4020:微分代数方程式の解法
連立方程式で代数微分方程式と常微分方程式の両方が使用されている場合、その連立方程式は微分代数方程式です。その解法は、常微分方程式とは異なります。その相違点は、ユーザー関数をどのように定義するか、および常微分方程式のように状態変数の導関数に初期条件を必要とするかどうかにあります。
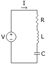
このチュートリアルでは、一定の電圧を印加する直列RLC回路を微分代数方程式として定式化することで、この回路を解きます。

- VR:抵抗とインダクタ間のノード電圧
- VL:インダクタとコンデンサ間のノード電圧
- V:電源電圧
- I:回路電流
- R:抵抗値
- C:静電容量値
- L:インダクタンス値
この回路を記述する連立方程式は次のようになります。



系の状態変数は、I、VR、およびVLです。これらの変数の時系列値を求めます。1番目の式は全面的に代数式であり、導関数を持ちません。これは、この系がODE系と明確に異なる点です。
方程式の書き直し
常微分方程式と異なり、微分代数系は次のように残差に関して書き直す必要があります。







