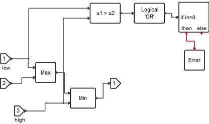
ControlledSaturation

ControlledSaturation

Diagram Context expand