ControlledDeadzone
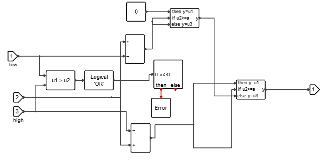
This block implements an input-output dead zone in which the output remains zero within an interval specified by dead-zone values. Dead-zone values are controlled by the first and third inputs (upper and lower zones), respectively.
![]()
Library
Hybrid
Description
The ControlledDeadzone block implements an input-output dead zone in which the output remains zero within an interval specified by dead-zone values. Dead-zone values are controlled by the first and third inputs (upper and lower zones), respectively.
Ports
| Name | Type | Description | IO Type | Number |
|---|---|---|---|---|
low | explicit | input | 1 | |
Port 2 | explicit | input | 2 | |
high | explicit | input | 3 | |
Port 4 | explicit | output | 1 |
Advanced Properties
| Name | Value | Description |
|---|---|---|
always active | standard | |
direct-feedthrough | yes | |
zero-crossing | no | |
mode | no | |
continuous-time state | no | |
discrete-time state | no |
